
2001 Hyundai Elantra Wiring Diagram, Hyundai Elantra Wiring Diagrams 1998 to 2016, 8.63 MB, 06:17, 15,957, John Amahle, 2018-11-17T16:37:24.000000Z, 19, 2001 Hyundai Elantra Radio Wiring Diagram For Your Needs, www.dentistmitcham.com, 1404 x 1200, jpeg, hyundai elantra wiring diagram radio 2001 forums needs, 20, 2001-hyundai-elantra-wiring-diagram, Anime Arts
I will be doing a remote start/security install on one. Climate control wiring diagrams any need acurazine rl acura. Acura fuse diagram tl box 2003 2004. Shop oem 2005 acura rl 4 door rl ka 5at parts at wholesale prices.
Ampre rating [a] circuit protected. Radio radio wiring diagram, canada (1 of 5) radio wiring diagram, canada (2 of 5) radio wiring diagram, canada (3 of 5) radio wiring diagram, canada (4 of 5) radio wiring. The list of acura stereo wiring diagrams that were displayed here will be described in details in the link on every acura years and series as mentioned below. Have watch and find the one that. Imageevent diagrams wiring needed ture. Acura wiring diagram download. 2003 acura 3. 2cl 2001 acura 3. 2cl: 2003 acura 3. 2tl 2002 acura 3. 2tl 2001 acura 3. 2tl: 2000 acura cl 1999 acura cl 1998 acura cl 1997 acura cl:.
2005 Acura Rl Ecu Wiring Diagram

Acura RL (2005) - wiring diagrams - charging system - Carknowledge.info

2005 Acura Tl Amp Wiring Diagram Collection - Wiring Diagram Sample

[DIAGRAM] Acura Rl Wiring Diagram
Acura Rl Wiring Diagram - Wiring Diagram Networks

[DIAGRAM] 2000 Acura Rl Radio Wiring Diagram FULL Version HD Quality Wiring Diagram
Circuit Electric For Guide: 2005 acura rl wiring diagram
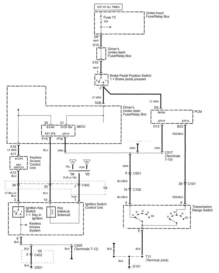
Acura RL (2005) - wiring diagrams - shift interlock - Carknowledge.info

[DIAGRAM] Acura Rl Wiring Diagram
![2005 Acura Rl Radio Wiring Diagram [DIAGRAM] Acura Rl Wiring Diagram](https://www.carknowledge.info/wp-content/uploads/2017/09/acura-rl-wiring-diagram-navigation-system-v1-2-2005.jpg)
Acura RL (2005 - 2006) - wiring diagrams - fuse panel - Carknowledge.info
